


單排交叉滾柱式回轉支承(11系列)
結構特點、性能、適用范圍
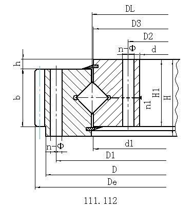
單排交叉滾柱式回轉支承,由兩個座圈組成,結構緊湊、重量輕、制造精度高,裝配間隙小,對安裝精度要求高,滾柱為1:1交叉排列,能同時承受軸向力,傾翻力矩和較大的徑向力,被廣泛地用于起重運輸、工程機械和軍工產品上。
![]()
注:
1、n1為潤滑油孔數,均布:油杯M10×1 JB/T7940.1-JB/T7940.2
2、安裝孔n-Φ可改用螺孔;齒寬b可改為H-h。
3、表內齒輪圓周力為最大圓周力,額定圓周力取其1/2。
4、外齒修頂系數為0.1。
